Energian keruu tai louhinta (energy harvesting) on valtavan nopeasti kasvava markkina. Se myös mahdollistaa sovelluksia, joita aiemmin ei osattu edes kuvitella. Langattomille anturiverkoille energiankeruu tuo aivan uusia mahdollisuuksia.
Kirjoittaja John Donovan on www.low- powerdesign.com -sivuston julkaisija ja Portable Design -lehden entinen päätoimittaja, EDN Asian toimituspäällikkö sekä Circuits Assembly and Printed Circuit Fabrication -lehden Aasian toimittaja. Hänellä on 30 vuoden kokemus teknisten artikkelien kirjoittamisesta. Aiemmin hän toimi C-ohjelmoijana ja mikroaaltoteknikkona. Hän on IEEE:n jäsen ja on julkaisut kaksi kirjaa, kymmeniä manuaaleja ja satoja teknisiä artikkeleita. |
Kun matkapuhelin kehittyi analogisesta kännykästä kämmentietokoneeksi, käyttäjät ryhtyivät vaatimaan lisää ja lisää sähköä kuluttavia toimintoja kuten nettiselaamista, videoita, peleä ja sähköpostia, ja samalla myös pidempiä toiminta-aikoja. Koska akkujen valmistajista ei ollut apua, puolijohdevalmistajat keksivät lukuisia energiaa säästäviä tekniikoita mahdollistaakseen kaiken tämän. He ovat olleet erittäin menestyksekkäitä.
Pieni tehonkulutus on ollut elektroniikkasuunnittelun tärkein kriteeri ainakin viimeisen 10 vuoden ajan. Mooren alain ja lukuisten älykkäiden suunnittelijoiden ansiosta mikropiirien tehonkulutus on pienentynyt dramaattisesti. Usein tehoa kuluu milliwatteja toiminnassa ja nanowatteja valmiustilassa. Kehityksen tuloksena äärimmäisen pienen tehonkulutuksen langattomat anturiverkot tulivat mahdollisiksi ja niiden käyttöönotto on olut erittäin nopeaa. Nyt anturit varoittavat rakennusten ja siltojen rasittumisesta, ilmansaasteista, mtsäpaloista maanvyörymistä, kuluneista laakereista ja siipien tärinästä. Pienen tehonkulutuksen anturiverkot ovat lukuisien teollisuuden, lääketieteen ja kulutussovellusten perusta.
Sähköverkon ulkopuolella anturiverkot nojaavat paristoihin ja ovat saman haasteen edessä kuin matkapuhelimet. Tällöin on suotavaa pidentää akkujen toiminta-aikaa keräämällä energiaa saatavilla olevista lähteistä - valosta, lämmöstä, tärinästä, liikkeestä tai ympäröivästä RF-säteilystä. Mikäli laite tulee toimeen hyvin pienellä virralla ja pariston vaihtaminen on vaikeata tai kallista, on mahdollista luopua paristosta kokonaan ja turvata sähkönsaannissa kokonaan energiankeruun menetelmiin. Hyvin pienen tehonkulutuksen mikro-ohjain ja energiankeruu ovat yhdessä mahdollistaneet koko joukon sovelluksia, jotka eivät aiemmin olleet mahdollisia.
Energiankeruun markkinat ovat suuret ja kasvavat kovaa vauhtia. IDTechEx:n mukaan energiankeruu muodosti vuonna 2012 vain 0,7 miljardin dollarin markkina. Vuonna 2022 markkinoiden kooksi ennustetaan viittä miljardia dollaria ja tuolloin energiankeruulla sähköistetään 250 miljoonaa anturia. Thermosähköinen energiankeruu yksin yltää 865 miljoonaan dollariin vuonna 2023.
Tämänhetkiset teknologiat ja sovellukset
Energiankeruuseen käytetään yleisesti useita tekniikoita, ja näkyvissä on joitakin erittäin innovatiivisia uusia teknikoita. Yleisimmät energianlähteet ovat valo, lämpö, tärinä ja RF. Kattojen aurinkopaneeleita lukuunottamatta mikään näistä ei tuota kovin paljon energiaa (ks. kuva 1), mutta usea niistä voi olla täysin riittävä tuottamaan sähköä vähävirtaisille laitteille tietyssä ympäristössä.

Kuva 1: Energiankeruun lähteistä saatavilla oleva teho.
Aurinko
Lähes jokaisessa kodissa ja toimistossa on yksi aurinkokennolla varustettu taskulaskin. Tai oikeastaan laskin jossa on nappiparisto ja pieni aurinkokennokalvo sen päällä. Nämä polykiteiset pii- tai ohutkalvosolut muuntavat fotoneita elektroneiksi tyypillisesti 15-20 prosentin hyötysuhteella piillä ja 6-12 prosentin hyötysuhteella ohutkalvossa. Koska sisävalaistuksen tuottama teho on tyypillisesti vain noin 10 mikrowattia neliösentiltä, laskinten kennojen hyödyllisyys riippuu moduulin koosta ja valon spektristä eli aallonpituudesta.
Pieniä aurinkokennoja käytetään yleisesti kulutus- ja teollisuuslaitteissa, kuten leluissa, kelloissa, laskimissa, katuvalojen ohjauksessa, kannettavissa teholähteissä ja satelliiteissa. Koska valoa on saatavilla vain ajoittain, aurinkokennoja käytetään akkujen lataamiseen ja käyttöenergia tulee vakaammista superkondensattoreista.
Termosähköinen energiankeruu
Termosähköiset keruulaitteet hyödyntävät Seebeckin ilmiötä, jossa jännite syntyy kun kahden erilaisen metallin liitksessa on lämpötilaero. Termosähköiset generaattorit (TEG, Thermoelectric generators) muodostuvat yhteenliitetyistä termopareista, jotka on liitetty sarjaan koneeseen, vedenlämmittimeen tai jopa aurinkopaneelin takapinnalle. Lätöteho riipuu generaattorin koosta ja siitä lämpötilaerosta, jota voidaan ylläpitää. TEG tuottaa yleensä virran langattomille antureille korkean lämpötilan ympäristöissä kuten teollisissa lämmitysjärjestelmissä. Tehotransistorin ja jäähdytyslevyn väliin kytketty TEG voi kierrättää osan energiasta, joka muuten menisi hukkaan lämpönä.
Micropeltin termosähköiset TE-CORE7 -keruumoduulit muuntavat paikallisesti saatavilla olevan hukkalämmön matalan tehonkulutuksen omaavien laitteiden virranlähteeksi. TE-CORE -generaattori muuntaan lämmön säkövaraukseksi, joka sitten vahvistetaan, säilytään 100 mikrofaradin kondensaattoriin ja reguloidaan tuottamaan jopa 5,5 voltin jännitettä. 50 asteen toimintalämpötilassa TE-Core7 voi generoida vuodessa 6,424 milliampaarituntia, mikä vastaa kolmesta neljään AA-paristoa. Paristot pitäisi kuitenkin vaihtaa muutaman kuukauden välein.
Pakottamalla virta kulkemaan kahden erilaisen metallin liitännän läpi saa lämmön siirtymään kuumasta liitännästä kylmään. Tämä on Peltierin ilmiö eli pääasiassa Seebeckin ilmiön vastakohta. Peltierin efekti on termosähköisten lämpöpumppujen perusta.
Pietsosähköinen
Pietsosähköiset anturit tuottavat sähköä, kun niitä painetaan. Niinpä ne ovat hyviä vaihtoehtoja tärinäantureiksi keruumoduuleissa, jotka aistivat moottorien laakerien melua ja lentokoneen siipien tärinää. Miden tärinästä energiaa keräävä Volture V-20W -moduulissa on pietsosähköiseen kiteeseen yhdistetty pietsoelementti. Kun tärinä saa elementin liikkeeseen, se generoi AC-lähtöjännitteen, joka korjataan, reguloidaan ja varastoidaan superkondensattoriin tai ohutkalvoparistoon.

Kuva 2: Miden Volture - pitsosähköinen energiankeräin.
RF - Radiotaajuinen säteily
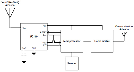
RFID toimii korjaamalla voimakkaan paikallisen, suoraan anturiin sunnatun signaalin (ei ympäröivää RF-säteilyä). Samalla tavoin Powercastin P2110 RF Powerharvester -vastaanotin muuntaa matalataajuuksisen RF-signaalin 5,25 voltin jännitteeksi, jopa 50 milliampeerin lähtövirraksi. Yhden vähävirtasen mikro-ohajimen, anturien ja radiomoduulin kanssa P2110 mahdollistaa ilman paristoja toimivan lanagattoman anturisolmun, joka voi operoida jopa -11,5 dBm -tasoisella RF-signaalilla.
Vastaanottimen sovelluksiin kuuluvat paristottomat langattomat teollisuuden monitorointianturit, rakennusautomaation anturit, älykkään sähköverkon (smart grid ) anturit, maatalouden anturit sekä puolustustekniikan sovellukset. Mouserin valikoimissa on Powercast-kehityspaketteja niin akkulataukseen kuin langattomiin antureihin.

Kuva 3: Powercast P2110 paristottomassa langattomassa anturissa.
Innovatiivisia teknologioita
Laboratotioissa kehitetään joitakin hyvin mielenkiintoisia energiankeruun tekniikoita, jotka saattavat koko toimialan tulevien vuosien aikana.
Lääketieteen ja liikuntalaitteet
Nyt on alkanut ilmaantua uusia käyttötapoja pietsosähköiselle energiankeruulle. Tutkijat Michiganin yliopistossa ovat kehittäneet laitteen, joka kerää energiaa sydämenlyöntien heijastumisista rinnassa ja muuntaa sen sydämentahdistimen tai implanttidefribrillaattorin virraksi. Tavoitteena on päästä eroon säännöllisistä paristojen vaihtamisesta. Myös tapoja hyödyntää ruumiinlämpöä, liikettä ja tärinää muiden implanttien sähköistämiseksi tutkitaan tiiviisti.
RF-säteilyä käytetään jo kokeellisesti lataamaan sydämentahdistimien ja hermojen stimulointiin tarkoitettujen implanettien (TENS, transcutaneous electrical nerve stimulation) paristoja. Potilas istuu tuolissa, johon istutetun matalataajuuksisen RF-lähettimen signaalia laite vastaanottaa, muokkaa ja varastoi.
MIT:n ja Harvardin tutkijat ovat kehittäneet piirin, joka voidaan istuttaa sisäkorvaan. Se saa virtansa energiasta, jota kerätää ääniaalloista. Piirin tarkoitus on monitoroida korvan biologista toimintaa potilailla, joilla on kuulo- tai tasapaino-ongelmia.
Kuntoilijat ovat mielissään kuullessaan, että voivat siepata osan salilla kuluttamastaan energiasta takaisin. Kolme brittiläistä yliopistoa on kehittänyt yhdessä pietsosähköisen energiankeruulaitteen, joka kiinnitetään polveen. Se generoi energiaa kävellessä tai juoksumatolla liikkuessa. Riikan tekninen yliopisto tarjoaa puolestaan mekaanista energiankeräintä, joka toimii hihoihin kiinnitettyjen magneettien ja takin taskuihin kiinnitettyjen käämien avulla. Käsien heilauttaminen taskujen ohi kävellessä generoi virran, joka voidaan varastoida paristoon. Mitä tahansa, jotta iPhone pysyisi ladattuna!
MEMS-pohjainen pyrosähköinen generaattori
Oak Ridge National Laboratoriesissa on kehitetty ainutlaatuinen pyrosähköinen generaattori, joka voi jäähdyttää elektroniikkalaitteita, fotokennoja, tietokoneita ja jopa suuria hukkalämpöä tuottavia laitteita samalla kun generoi energiaa. Laite perustuu MEMS-pohjaiseen pyrosähköiseen kondensaattoriin, joka on kiinnitetty kaksoismetalliseen liuskaan. Tämä elementti värähtelee kuuman ja kylmän pinnan välillä, jolloin kuuman liuskan pää koskettaa kylmää pintaa eli jäähdytyselementtiä, luovuttaa lämpöään ja saa siten liuskan liikkumaan edestakaisin. Värähtely jatkuu niin kauan, kun lämpötilaero pysyy riittävänä. Se voi kahden pinnan välillä olla mitä tahansa muutamasta asteesta useisiin satoihin asteisiin.
Elementin rakenteet ovat vain neliömillin luokkaa ja yhdellä laitteella voi generoida 1-10 milliwattia tehoa. Yhdelle neliötuumalle voidaan kiinnittää tuhat tällaista elementtiä, millä saadaan aika suhteellisen tehokas tehonlähde. Elementin avulla on päästy 10-30 prosentin tehokkuuteen, mikä on paljon nykyisiä termosähköisiä ja pietsosähköisiä keräimiä parempi lukema.

Kuva 4: MEMS-pohjainen pyrosähköinen generaattori.
Nantennit
Aurinkokennot ovat kaikkein käytetyin energiankeruun lähde, mutta ne eivät ole kovin tehokkaita. Parhaat yksikiteiset aurinkokennosolut joiden teoreettinen hyötysuhde on 30 prosenttia - ovat hyviä, jos niissä päästään yli 20 prosentin hyötysuhteeseen. Nyt tutkijat Missourin yliopistossa ja Idahon kansallislaboratoriossa (Idaho National Laboratory) ovat kehittäneet joustavan aurinkokennokalvon, joka yltää teoreettisesti 90 prosentin hyötysuhteeseen.
Toisin kuin perinteiset aurinkokennot, uusi kalvo on käytännössä nanoantennien (tai nantennien) matriisi. Jokainen antenni on säädetty tietylle valon aallonpituudelle. Pintaan tuleva auringon sähkömagneettinen säteily saa aikaan virran antennissa, joka sitten kerätään, oikaistaan ja varastoidaan. Nanosähköiset sähkömagneettiset keräimet (NEC, nanoelectronic electromagnetic collectors) voidaan konfiguroida taajuusspesifeiksi pinnoiksi, jotka tehokkaasti imevät itseensä auringonvalon koko spektrin. NEC:t voidaan myös konfiguroida heikastavaksi suotimeksi 6,5 mikronin aallonpituuden ympärille. Tällöin keräimet imisivät itseensä infrapunasäteitä ja siten kierrättäisivät hukkalämpöä moottoreista, sulatusuuneista ja muista kuumista energianlähteistä.
NEC-keräimiä on menestyksekkäästi demottu sekä pii- että polyeteenialustoilla, mutta kannattavaan massatuotantoon pääseminen edellyttää vielä lisää rahoitusta ja aikaa. Tutkijat näkevät NEC:ssä nykyisiä aurinkokennoja täydentävän tuotteen, joka kerää käyttämätöntä infrapunaenergiaa. Kalvona niitä voidaan integroida polymeereihin, joten keräimiä voitaisiin isututtaa myös kulutuselektroniikan laitteiden pintaan latamaan niiden akkuja jatkuvasti.
Kohti tulevaa
Erittäin pienen tehonkulutuksen mikro-ohjainten kehitys on luonut suuren ja nopeasti kasvavan energiankeruun markkinan. Keräimien ensimmäinen aalto on mahdollistanut pienitehoisten langattomien anturien syntymisen ja niitä alkaa ilmestyä pian kaikkialle. Vaikutus tulee kuitenkin jatkumaan kulutus- ja teollisuuselektroniikassa sekä lääketieteen laitteiden markkinoilla luoden uusia sovelluksia, joita pystymme vasta nyt kuvittelemaan.
Suunnitteli sitten kannettavaa akkukäyttöistä laitetta tai halusi parantaa suurempien laitteiden energiatehokkuutta, pitäisi kaikkien suunnittelijoiden harkita energiankeruun tekniikoiden liittämistä tuotteisiinsa.
Artikkelissa mainitut tuotteet:
Micropelt: TE-CORE7 Thermal Energy Harvesting Modules
Midé:Volture™ V-20W Vibration Energy Harvester
Powercast: P2110 RF Powerharvester
Lue lisää Mouserin sivuilta:


powerdesign.com -sivuston julkaisija ja Portable Design -lehden entinen päätoimittaja, EDN Asian toimituspäällikkö sekä Circuits Assembly and Printed Circuit Fabrication -lehden Aasian toimittaja. Hänellä on 30 vuoden kokemus teknisten artikkelien kirjoittamisesta. Aiemmin hän toimi C-ohjelmoijana ja mikroaaltoteknikkona. Hän on IEEE:n jäsen ja on julkaisut kaksi kirjaa, kymmeniä manuaaleja ja satoja teknisiä artikkeleita.



















