Perinteisestä 3,5 mm audioliittimestä dataominaisuuksilla höystetty ACI-kuulokeliitäntä haastaa USB-C:n. Kännykkään sijoitettavan isäntäpiirin ja kuulokkeisiin sijoitettavan renkipiirin avulla voidaan helposti ja edullisesti muodostaa muun muassa ulkoisen taustamelun vaimennus.
| Artikkelin kirjoittaja Horst Gether toimii itävaltalaisen ams-yhtiön ANC-tuotteiden (Active Noise Cancellation) tuotepäällikkönä. |
Analoginen 3,5 millimetrin pistokeliitin on vakiinnuttanut vankan aseman kaikenlaisissa audiolaitteissa. Viime vuosituhannella kehitettyä liitintä käytettiin alun perin puhelinvaihteissa ja sen jälkeen se yleistyi nopeasti matkapuhelimien, tietokoneiden ja tablettien kuulokeliitäntänä musiikinkuuntelua ja handsfree-puheluja varten. Siitä lähtien tämä nelinapainen 3,5 millin pistokeliitin on tarjonnut melko rajallisen määrän käyttömahdollisuuksia.

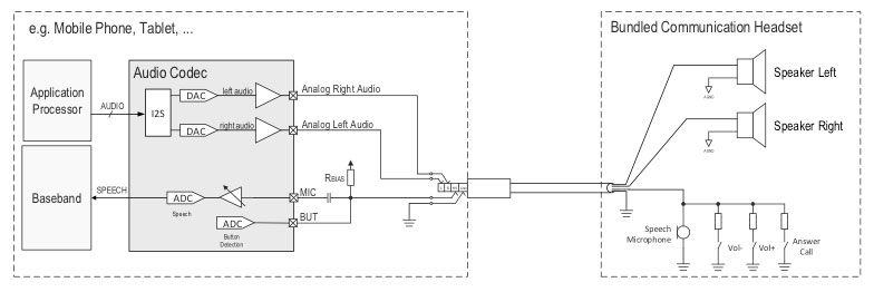
Kuva 1. 3,5 mm pistokeliittimen kytkentäperiaate matkapuhelimessa.
Kuvassa 1 on esitetty nykyisen 3,5 mm audioliitännän rakenne yksinkertaistettuna lohkokaaviona. Tavallinen 3,5 mm audiopistoke on kytketty matkapuhelimen audiokoodekkiin. MIC/BUT-tulo, johon neljäs napa on kytketty, tukee äänipuhelujen puheensiirtoa. Tähän signaalilinjaan on kytketty analoginen mikrofoni ja sen rinnalle sarjavastusten kautta yksi, kaksi tai kolme painiketta, joita käytetään audiotoimintojen ohjaamiseen.
3,5-millisen pistokkeen ominaisuudet eivät ole juuri muuttuneet viime vuosina, mutta sen käyttöympäristö on todellakin muuttunut. Älypuhelimista on tullut uskomattoman tehokkaita tietokonelaitteita. Ja yhä useammat käyttäjät vaativat, että puhelimeen liitettävien kuulokkeiden pitäisi kyetä taustamelun vaimentamiseen eli ANC-toimintaan (Active Noise Cancellation).
Nyt matkapuhelinten valmistajat ovat luomassa uutta kysyntää ANC-headset-järjestelmälle, joka voisi toimia ilman paristoa ANC-kuulokkeisiin yhdistettynä.
Yksi tapa tämän tavoitteen saavuttamiseksi on kytkeä lisälaite puhelimen USB-liitäntään, joka voi syöttää sille virtaa puhelimen akusta. Mutta puhelimien ja headset-laitteiden valmistajat haluavat luoda muodoltaan pelkistettyjä laitemalleja, joiden materiaalikustannukset jäävät vähäisiksi. Tässä USB-ratkaisussa on paljon päällekkäisyyksiä: sekä puhelimella että lisälaitteella on oma audiokoodekki, DSP-laajennus, vahvistin ja tehonhallintayksikkö.
ACI tuo helpon ja edullisen ratkaisun
Itävaltalainen ams-yhtiö on nyt kehittänyt 3,5 mm audiopistokkeelle uuden liitäntästandardin, joka tarjoaa täyden yhteensopivuuden taaksepäin nykyisiin 3,5 millin liitäntöihin. Uusi ACI-liitäntäteknologia (Accessory Communication Interface) hyödyntää mikrofonille tarkoitettua MIC-signaalilinjaa tarjoamaan lisätoimintoja ja muuttaa sen samalla kaksisuuntaiseksi digitaaliliitännäksi.
Kuva 2. Vasemmalla ACI-tekniikalla älypuhelimeen liitetyt ANC-kuulokkeet, jotka perustuvat 3,5 mm audioliittimeen ja oikealla vastaava kytkentä USB-C-liitäntään.
ACI-standardin kehittämisen tavoitteena oli hyödyntää matkapuhelimen sisäistä laskentatehoa sen sijaan, että järjestelmässä olisi samoja päällekkäisiä lohkoja sekä puhelimessa että lisälaitteessa. Kuvassa 2 nähdään ACI-järjestelmän toteutus 3,5 millimetrin audioliitäntäjärjestelmälle (vas.) sekä vastaava USB-C-pohjainen järjestelmä, jossa on analoginen audiolähtö. Näiden toteuttamiseen tarvitaan ainoastaan puhelimeen sijoitettu ACI-isäntäpiiri. Seuraavassa vaiheessa tämä piiri voidaan integroida osaksi audiokoodekkia, jolloin järjestelmän kustannuksia voidaan edelleen alentaa.
Nyt audiokoodekkia, kuulokevahvistinta, mikro-ohjainta ja tehonhallintayksikköä ei enää tarvita lisävarusteina. Kaikki käyttöliittymän ohjauspainikkeet sekä puheelle ja aktiiviselle melunvaimennukselle tarkoitetut mikrofonit on kytketty suoraan lisälaitteen sisältämään ACI-renkipiiriin. Se kerää kaiken informaation antureista, mikrofoneista ja painikkeista sekä lähettää ne eteenpäin isäntäpiirille.
Audiosignaalin käsittely hoidetaan audiokoodekin digitaalisella signaaliprosessorilla (DSP) lähetyspolun taustamelun vaimentamiseksi, aivan kuten tapahtuu vastaanottopolun melunvaimennuksessakin.
ACI-järjestelmän yksityiskohtainen lohkokaavio on esitetty kuvassa 3.
Kuva 3: ACI-järjestelmän periaate lohkokaaviona.
Jotta lisälaitteen akulta voidaan välttyä, ACI-järjestelmä kykenee syöttämään renkipiirille virtaa aina 100 milliampeeriin asti. 1,4 – 1,9 voltin käyttöjännitteellä voidaan syöttää mikrofoneja tai lisäantureita, jotka on kytketty ACI-renkipiiriin I2C-väylän kautta.
ACI käytössä
ACI-isäntäpiirin ja -renkipiirin välinen kommunikaatio perustuu puolidupleksiin, aikamultipleksoituun modulaatioon. Signaalilinjan DC-offset on tyypillisesti 3,3 volttia, jotta AS3445B-piirille saadaan syötettyä käyttöteho. Mikrofonidata sekä metadata moduloidaan sitten suoraan 3,3 voltin syöttölinjalla. Noin 83 prosenttia koko kaistanleveydestä käytetään pieniviiveisiin signaaleihin, tavallisesti mikrofonisignaaleihin. Noin 10 prosenttia käytetään isäntä- ja renkipiirin kellosignaalien synkronointiin. Loppu 7 prosenttia edustaa metadatan I2C-siirtoa ACI-renkipiirille ja se sisältää suoria bittiensiirtoja sekä keskeytyksiä.
ACI-järjestelmään liitettävät kaapelit saavat olla enintään yhden metrin pituisia.
Vaihtoehtoinen käyttötapa
ACI-tekniikkaa voidaan hyödyntää myös toisella tavalla kuulokekäytössä. Oikean ja vasemman kuulokkeen välillä on oltava useita yhteyksiä, ja käytettävissä olevien johtimien lukumäärää rajoittaa niitä yhdistävän pääpannan tarjoama tila. Tällaisessa tapauksessa ACI-järjestelmällä voidaan yhden ylimääräisen johtimen avulla yhdistää useita toiseen kuulokkeeseen kuuluvia mikrofoneja, antureita ja painikkeita pääkuulokkeen piirilevylle, jonne kuulokkeiden pääprosessori on sijoitettu.
























