Galliumnitridiin perustuva kytkin vaatii huolellisesti suunnitellun hilaohjauksen, jotta päästäisiin valmistajan lupaamiin hyötysuhteen ja tehotiheyden arvoihin tinkimättä toiminnan luotettavuudesta reaalimaailman sovelluksissa. Huolellisestilaaditun osien sijoittelun ohella on tärkeää käyttää erityisesti tähän tarkoitukseen suunniteltua hilaohjauspiiriä.
| Artikkelin kirjoittaja Yong Ang johtaa ON Semiconductor -yhtiön strategista markkinointia. |
Galliumnitridiin (GaN) perustuva transistori yltää kaikista vaihtoehdoista lähimmäksi ideaalista puolijohdekytkintä. Se tarjoaa mahdollisuuden tehonmuunnoksiin erittäin korkealla hyötysuhteella ja tehotiheydellä. GaN-komponentit eivät kuitenkaan ole kaikilta osin yhtä kestäviä kuin perinteiset piitransistorit, joten niitä täytyy käyttää huolellisesti.
Parhaaseen suorituskykyyn ja luotettavuuteen päästään vain oikeaoppisella hilaohjauksella. Seuraavassa esitetään tähän tarkoitukseen suunniteltu ohjainratkaisu, joka vähentää suunnitteluprosessiin liittyviä riskejä.
Galliumnitridistä valmistetun HEMT-kytkimen (Hot Electron Mobility Transistor) avulla voidaan toteuttaa tehonmuuntimia, joiden kokonaishyötysuhde on parempi kuin nykyisten piipohjaisten ratkaisujen. GaN-kytkimen avulla voidaan helposti ylittää palvelimille ja datakeskuksille asetetut tosi tiukat 80+ -määritykset sekä EU:n CoC Tier 2 (Code of Conduct) -määritykset, jotka vaaditaan tehonjakeluun tarkoitetuille ulkoisille USB PD -sovittimille.
Vaikka perinteiset piipohjaiset kytkintekniikat ovat päässeet melko lähelle ihanteellista toimintaa, GaN-kytkimet yltävät edelleen lähemmäs ideaalitasoa. Mutta niillä ei voida suoraan korvata perinteisiä kytkimiä. Jotta kytkimen koko potentiaali saataisiin hyödynnetyksi, sen ulkoinen ohjauspiiri tulee tarkasti sovittaa GaN-rakennetta varten. Lisäksi piirilevyn osien sijoittelu on laadittava huolellisesti.
GaN- ja piikytkimien erot
Avaustyyppisen GaN-kytkimen tärkein etu piikytkimiin verrattuna on sen parempi hyötysuhde. Toisin kuin sulkutyyppinen vastineensa, avaustyyppinen GaN-kytkin on normaalisti off-tilassa, joten se vaatii hilalleen positiivisen ohjausjännitteen kytkimen saattamiseksi johtavaan tilaan (on). Avaustyyppisen GaN-kytkimen korkeampi hyötysuhde perustuu alhaisempiin hajakapasitansseihin sekä GaN-transistorin kykyyn johtaa estosuuntaan (kolmas kvadrantti) niin, että elpymisvaraus on nolla. Tämä on merkittävä etu raskaissa kytkentäsovelluksissa.
Alhaiset hilan ja lähteen sekä hilan ja nielun väliset kapasitanssit merkitsevät pientä hilan kokonaisvarausta, jonka ansiosta hilan ohjaaminen voidaan tehdä hyvin nopeasti ja ohjaimen tehohäviö jää vähäiseksi. Alhainen lähtökapasitanssi taas tarjoaa vähäiset häviöt kytkimen mennessä off-tilaan.
Muita eroja, jotka voivat kuitenkin heikentää GaN-kytkimen käytännön suorituskykyä, ovat esimerkiksi nielu-lähteelle/hilalle spesifioitujen syöksyjännitearvojen puuttuminen sekä melko alhainen hilan sallittu maksimijännite, joka on tyypillisesti vain +/- 10 V verrattuna piipohjaisen mosfetin noin +/- 20 voltin lukemaan. Lisäksi kytkemiskynnys (VGTH) on GaN-kytkimelle noin 1,5 volttia, mikä on paljon pienempi lukema kuin piipohjaisen mosfetin noin 3,5 V.
Jos ulkopuolista ohjaus- ja kuormituspiiriä voidaan hallita ohjaamaan lähde- ja hilajännitteitä luotettavasti, kytkentätaajuus voidaan nostaa satojen kilohertsien tai jopa megahertsien tasolle. Samalla voidaan kuitenkin säilyttää erittäin korkea hyötysuhde ja päästä pieneen kokoon magneettisissa ja kapasitiivisissa komponenteissa. Näin päästään myös erittäin suureen tehotiheyteen (W/cm3)
Hilaohjaus suorituskyvyn avaimena
Hilaohjaimen jännitteiden pitäminen ehdottomien maksimirajojen alapuolella ei ole ainoa vaatimus. Mahdollisimman nopeaa kytkemistä varten tyypillinen GaN-kytkin tulee ohjata optimaaliseen VG(ON) -arvoon, joka on noin + 5,2 V, jotta kytkimen täyteen avautumiseen päästäisiin ilman ylimääräistä tehohäviötä hilaohjaimessa. Ohjaimen teho PD saadaan kaavasta:
PD = VSW.f.QGTOT
missä VSW on hilajännitteen vaihteluväli, f on kytkentätaajuus ja QGTOT on hilan kokonaisvaraus. Vaikka GaN-kytkimen hila on kapasitiivinen, tehohäviö syntyy itse asiassa hilan sarjavastuksessa ja ohjaimessa. Jännitteen vaihteluväli tulee siksi pitää minimissään varsinkin hyvin suurilla kytkentätaajuuksilla.
GaN-transistorin hilan kokonaisvaraus on tyypillisesti muutamia nanocoulombeja (nC), mikä on noin kymmenesosa vastaavan piipohjaisen mosfetin lukemasta. Tämä on yksi syy, miksi GaN-kytkin pystyy toimimaan niin suurilla kytkentätaajuuksilla. GaN-komponentit ovat varausohjattuja, joten nanosekunneissa tapahtuva kytkeminen nanocoulombien suuruisilla varauksilla tuottaa huippuarvona ampeeriluokan virtoja, jotka ohjaimen on kyettävä syöttämään niin, että jännitetaso säilyy samalla tarkasti vakaana.
Teoriassa GaN-kytkin on turvallisesti off-asennossa, kun VGS = 0, mutta reaalimaailmassa edes parhaat hilaohjaimet eivät syötä 0 volttia hilalle. Mikä tahansa sarjainduktanssi L lähdepiirissä, joka on yhteinen hilaohjaussilmukalle, synnyttää hilaohjaimelle vastakkaisen jännitteen VOPP, ja tämä voi aiheuttaa virheellisen kytkeytymisen on-tilaan suurella virran nousunopeudella di/dt, koska VOPP = -L di/dt (kuva 1). Sama ilmiö saattaa syntyä, jos off-tilan dV/dt pakottaa virran kulkemaan kytkimen Miller-kapasitanssin läpi, tosin GaN-kytkimen tapauksessa se on yleensä merkityksetöntä.
Yksi ratkaisu olisi syöttää hilalle negatiivinen ehkä -2 V tai -3 V off-jännite, mutta se monimutkaistaisi hilaohjauspiiriä. Tämävoidaan välttää huolellisella osien sijoittelulla sekä käyttämällä komponentteja, joissa on ’Kelvin-liitokset’ ja vähäiset koteloinduktanssit kuten profiililtaan matalissa jalattomissa PQFN-koteloissa (Power Quad Flat No-Lead).

Kuva 1. Lähde- ja hilapiirien yhteinen induktanssi aiheuttaa jännitetransientteja.
Yläpuolen hilaohjaus tuo haasteita
GaN-kytkimet eivät välttämättä ole optimaalisia kaikille topologioille kuten useimmille ’yksipäisille’ flyback- ja forward-tyyppisille muuntimille, joissa ei tapahdu käänteistä johtamista ja joissa korkeammat kustannukset piipohjaisiin mosfet-ratkaisuihin verrattuna syövät helposti hyötysuhteen lievästä paranemisesta saavutettavat edut.
’Puolisilta’-tyyppisissä sovelluksissa GaN-kytimet ovat kuitenkin omiaan sekä suoraan että ohjelmallisesti kytkettävinä. Näitä ovat esimerkiksi Totem-Pole Bridgeless PFC -kytkennät (Power Factor Correction), LLC-muuntimet ja ACF-muuntimet (Active Clamp Flyback). Kaikissa näissä topologioissa käytetään yläpuolista kytkintä, jossa lähde toimii kytkennän solmupisteenä. Siksi hilaohjain on offsetilla erotettu maatasosta suurijännitteisellä ja suuritaajuisella aaltomuodolla, jonka reunojen nousu- ja laskuajat ovat nanosekuntien luokkaa.
Hilaohjaussignaali saadaan ohjaimelta, jonka referenssinä on järjestelmän maataso, joten yläpuolisen ohjaimen on tehtävä tasonsiirto, joka vaatii vähintään 450 voltin jännitekestoisuuden. Lisäksi on muodostettava matalajännitteinen tehonsyöttölinja yläpuoliselle ohjaimelle. Yleensä se toteutetaan käyttäen bootstrap-diodia ja kapasitanssia sekä referenssinä kytkennän solmupistettä.
Kytkennän aaltomuoto rasittaa ohjainta jännitteen nousunopeudella dV/dt ja GaN-kytkimellä se voi olla yli 100 V/ns. Tämä aiheuttaa ohjaimen läpi maahan kulkevan siirtymävirran, joka saattaa tuottaa jännitetransientteja sarjavastuksissa ja induktansseissa ja siten rikkoa herkkää differentiaalista hilaohjausjännitettä. Ohjaimella tulisi siksi olla vahva dV/dt-immuniteetti.
Jotta saavutettaisiin maksimaalinen sietokyky katastrofaalista ’läpilyöntiä’ vastaan ja samalla paras mahdollinen hyötysuhde, puolisiltarakenteen ylä- ja alapuolta tulisi ohjata niin, ettei synny päällekkäistä ohjausta ja samalla tulisi säilyttää kuollut aika minimissä. Ylä- ja alapuolen ohjaimilla pitäisi siksi olla erittäin tarkasti ohjatut ja keskenään sovitetut etenemisviiveet.
Alemmalla puolella ohjaimen maataso tulee kytkeä suoraan kytkimen lähteeseen Kelvin-liitoksin keskinäisinduktanssin välttämiseksi. Tämä voi olla ongelmallista, koska ohjaimella on myös signaalimaa, joka ei ehkä ole parhaalla mahdollisella tavalla kytketty tässä kohtaa. Tästä syystä alemman puolen ohjain saattaa tarvita eristämistä tai jonkinlaisen menetelmän tehomaan ja signaalimaan erottamiseksi toisistaan yhteismuotoiselle jännitteelle sallitun toleranssin puitteissa.
GaN-ohjain voi vaatia suojaeristyksen
Avaustyyppisiä GaN-kytkimiä hyödynnetään nykyisin eniten offline-sovelluksissa, joissa vaaditaan korkeaa, vähintään 600 voltin jännitettä sekä itse kytkimelle että sen ohjaimelle. Tosin niiden käyttö yleistyy kaiken aikaa myös alemmilla jännitteillä toimivissa sovelluksissa.
Jos hilaohjaimen tulosignaalit muodostetaan ohjauslaitteella, jonka liitännät ovat ihmisten ulottuvilla, esimerkiksi tietoliikenneliitäntöjen kautta, ohjain vaatii turvallisen eristyksen, joka vastaa laitteen turvavaatimuksia ja -merkintöjä. Tähän päästään huippunopeaan signaaliin yltävällä galvaanisella erottimella, jonka eristysjännitearvo on riittävän suuri kyseiseen kohteeseen.
Ohjaussignaalin pulssireunojen nousu- ja laskuajat sekä alemman puolen sovitukset voivat muodostua ongelmallisiksi tällaisessa järjestelyssä, vaikka ohjauspiirin sallitaan yleensä toimivan ensiöreferenssi-muodossa, joka on normaali toimintatapa lähes kaikissa AC-DC-muuntimissa.
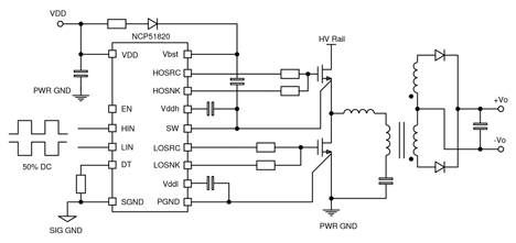
Sovellusesimerkkinä ACF-muunnin
Kuvassa 2 nähdään sovellusesimerkkinä ACF-tyyppisen (Active Clamp Flyback) muuntimen rakenne, joka hyödyntää ylemmän puolen kytkintä energian kierrättämiseksi takaisin lähteeseen muuntajan vuotoinduktanssista. Verrattuna vaimentimella tai zener-diodilla lukittuun ratkaisuun, tällä rakenteella päästään korkeampaan hyötysuhteeseen, vähäisempiin EMI-häiriöihin ja puhtaampaan nielupiirin signaaliin.
Rakenne soveltuu melko alhaisille, 45 – 150 watin tehotasoille. Tyypillisiä sovelluskohteita ovat USB PD -yhteensopivien puhelimien ja kannettavien tietokoneiden matkalaturit sekä laitteisiin sulautetut teholähteet.

Kuva 2. GaN-kytkimeen perustuvan Active Clamp Flyback -tyyppisen muuntimen rakenne.
Kuvan 2 piirikaaviossa erityisenä GaN-hilaohjaimena toimii ON Semiconductorin valmistama ohjainpiiri NCP51820 ja muuntimena piiri NCP1568. Ohjainpiiri sisältää vakaan +5,2 voltin amplitudin tuottavat hilaohjaimet sekä yläpuolisen että alapuolisen osan optimoimiseksi avausmuotoista GaN-kytkintä varten.
Yläpuolen yhteismuotoinen jännitealue on -3,5 - +650 V ja alapuolen vastaavasti -3,5 - +3,5 volttia. Ohjainpiirin dV/dt-immuniteetti on 200 V/ns, johon on päästy edistyksellisen liitoseristetekniikan ansiosta. Alemman puolen ohjauksen tasonsiirto tekee Kelvin-liitokset helpommiksi, kun käytetään virrantunnistusvastusta alemman puolen lähteessä.
Ohjaimen nousu- ja laskuajat ovat yhden nanosekunnin luokkaa ja etenemisviive enintään 50 ns. Erilliset lähde- ja nieluosan lähtöliitännät ylä- ja alapuolella mahdollistavat hilaohjauspulssien reunojen säätämisen optimaalisesti parhaan mahdollisen EMI-vaimennuksen aikaansaamiseksi. Tässä topologiassa ylemmän ja alemman puolen ohjaukset eivät tuota päällekkäisyyttä, mutta niiden pulssileveydet eroavat toisistaan, jotta nielulukituksella ja nollajännitekytkennällä varustettu tehonmuunnos/regulointi saadaan aikaan NCP1568-piirin ohjaamana.
Sovellusesimerkkinä LLC-muunnin
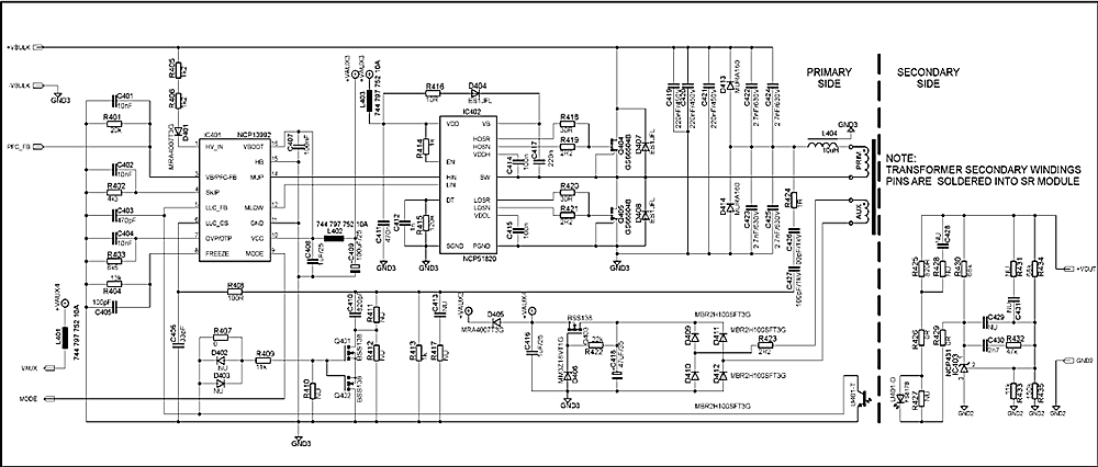
Yli 150 watin tehoilla käytetään usein LLC-resonanssimuunninta hyvän hyötysuhteen ja kytkinten vähäisen rasituksen vuoksi. Siinä kaikki ohjausaaltomuodot ovat pulssisuhteeltaan (duty cycle) 50 % ja regulointiin päästään muuttamalla taajuutta. Siksi on elintärkeää, että kuollutta aikaa voidaan ohjata sen takaamiseksi, ettei päällekkäisyyttä tule.
Kuvassa 3 nähdään tyypillinen järjestely, jossa NCP13992-piiri toimii huippuluokan suorituskykyyn yltävänä LLC-ohjaimena. Tällaista rakennetta voidaan käyttää 500 kHz kytkentätaajuudella ja sitä hyödynnetään tyypillisesti suuritehoisten pelikoneiden verkkolaitteissa sekä sulautettuina teholähteinä OLED-televisioissa ja All In One -tyyppisissä PC-koneissa.


Kuva 3. GaN-pohjaisen LLC-muuntimen rakenne.
ON Semiconductorin valmistama NCP15820-ohjain takaa, että hilaohjaimet eivät voi ajaa toistensa päälle. Päällekkäin meno voidaan kuitenkin sallia topologioissa, jotka vaativat päällekkäisyyttä (kuten virtaohjatut muuntimet). Piiri sisältää myös Enable-tulon ja kattavan suojauksen tehonsyötön alijännitteitä ja ylikuumenemista vastaan. Piiri on saatavissa 15-nastaisessa 4x4 mm PQFN-kotelossa, jonka hilaliitäntöjen induktanssit ovat hyvin alhaiset.
Osien sijoitteluun huomiota
Kaikissa sovelluksissa osien sijoittelu piirilevylle on kriittinen tekijä onnistuneen rakenteen aikaansaamiseksi. Kuvassa 4 nähdään esimerkki asianmukaisesta osien sijoittelusta, kun käytetään NCP15820-piiriä, joka minimoi ja sovittaa hilaohjaussilmukan. GaN-kytkimet ja niiden ohjaimet on sijoitettu samalle puolelle piirilevyä, jotta voidaan välttää liian suurten virtojen kulkeminen läpivientien kautta. Tämä edellyttää myös asianmukaista maatasojen ja paluureittien käyttämistä.

Kuva 4. Piirilevyn osien asianmukainen sijoittelu on kriittinen tekijä GaN-kytkimille ja niiden ohjaimille.
Lisätietoja piireistä
NCP51820: https://www.onsemi.com/products/discretes-drivers/gate-drivers/ncp51820
NCP1568: https://www.onsemi.com/PowerSolutions/product.do?id=NCP1568
NCP13992: https://www.onsemi.com/PowerSolutions/product.do?id=NCP13992
























